ESD保护芯片:CH412
概 述
CH412 是双路或者四路ESD 保护二极管阵列,能够承受IEC 61000-4-2 规定的最高±15KV 人体模型、±8KV 接触放电以及±15KV气隙放电的ESD 脉冲,用于电子产品对外接口中的高速信号和差分信号以及通用信号的ESD保护。
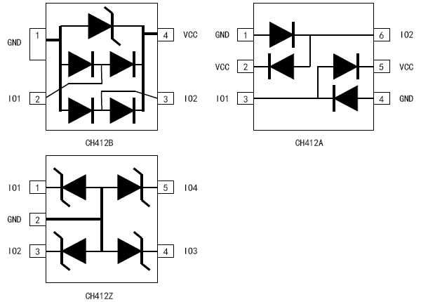
CH412B 提供2 通道低电容二极管保护和TVS 瞬态电压抑制器箝位,适用于高速和中低速信号,可以用于USB高速和全速以及低速信号保护。
CH412A 提供2 通道低电容二极管保护,适用于高速和中低速信号,可以用于USB 高速和全速以及低速信号保护。
CH412Z 提供4 通道TVS 瞬态电压抑制器箝位,适用于中低速信号,可以用于USB 全速和低速信号保护。

特 点
> 支持±15KV人体模型HBM。
> 支持±8KV 接触放电。
> 支持±15KV气隙放电。
> CH412B 和CH412A:内部2 路独立箝位二极管,典型值2pF 的低输入电容,适用于高速和中低速信号。
> CH412Z:内部4 路TVS箝位保护,适用于中低速信号。
> 采用SOT 小体积晶体管级贴片无铅封装,兼容RoHS。